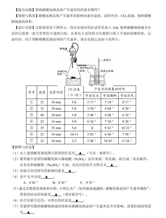
关于【四川邛崃高埂中第二次模拟化学题(图片版)(6)】及中考、查分、择校等最新干货资讯,均在家长帮App,还有配套习题及老师免费解答问题,赶快戳我下载 >>>【家长帮App】<<< 相关推荐 2020年中考必备APP「家长帮」免费下载2020年全国中考考试时间汇总2020年全国中考报名时间汇总2020年全国中考大事记2020年中考考前冲刺各科备考全攻略历年全国各省市中考真题及答案历年中考满分作文历年中考录取分数线汇总2020年中考资讯提前看2020年中考政策解读2020年中考政策解读 点击查看更多
特别策划更多 06-102023年全国各省市中考作文题目汇总 06-01劈波斩浪 冲刺中考!2023中考复习攻略 05-302023年全国各省市中考时间及科目安排 05-202023年全国各省市中考报名时间 05-182023中考逐梦前行 未来可期!2023中考特别策划 进入特别策划频道